Kompensatory uniwersalne DN 25 - DN 300
Uniwersalny kompensator składający się z lekko pofałdowanego mieszka gumowego z kołnierzami mającymi możliwość obracania się.
| Rodzaj Gumy | Kolor | Możliwości Zastosowania |
|---|---|---|
| EPDM | pomarańczowy | gorąca woda, kwasy, ługi |
| NBR | czerwony | olej |
| CIIR | biały | woda pitna |
*Należy zasięgnąć informacji na temat odporności materiału gumowego w zależności od temperatury i medium
| Właściwość | Ciśnienie | Temperatura |
|---|---|---|
| Max. dopuszczalne ciśnienie robocze | 16 bar | do +50°C |
|
| 10 bar | do +80°C |
|
| 6 bar | do +90°C |
|
|
| do +100°C (krótkotrwale) |
| Ciśnienie niszczące | >= 48 bar |
|
| Próżnia | >= 0,05 bar, z pierścieniem próżniowym (od ND 65) | |
Przy zmieniających się obciążeniach max. ciśnienie robocze należy zmniejszyć o 30%. *Przy temp. > +90°C konieczne jest uzyskanie zezwolenia producenta dla zastosowania w danych warunkach.
Wykonanie:
Materiał:
Zabezpieczenie antykorozyjne:
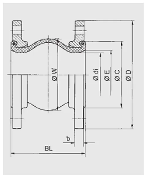
Wymiary
| DN | BL Mm | Klasa | Φ di | Φ C | Φ E | Φ W | PN Kołnierz | Φ D | b Grubość |
|---|---|---|---|---|---|---|---|---|---|
| 25 | 130 | 16 | 32±3 | 72 | 39 | 88 | 16 | 115 | 16 |
| 32 | 130 | 16 | 32±3 | 72 | 39 | 88 | 16 | 140 | 16 |
| 40 | 130 | 16 | 40±3 | 81 | 45 | 96 | 16 | 150 | 16 |
| 50 | 130 | 16 | 50±3 | 95 | 56 | 107 | 16 | 165 | 16 |
| 65 | 130 | 16 | 66±3 | 115 | 72 | 123 | 16 | 185 | 18 |
| 80 | 130 | 16 | 78±3 | 127 | 84 | 135 | 16 | 200 | 20 |
| 100 | 130 | 16 | 101±3 | 151 | 109 | 160 | 16 | 220 | 20 |
| 125 | 130 | 16 | 129±4 | 178 | 133 | 184 | 16 | 250 | 22 |
| 150 | 130 | 16 | 155±4 | 206 | 161 | 212 | 16 | 285 | 22 |
| 200 | 130 | 10 | 205±5 | 260 | 209 | 260 | 10 | 340 | 25 |
| 250 | 130 | 10 | 255±5 | 313 | 262 | 313 | 10 | 395 | 25 |
| 300 | 130 | 10 | 306±5 | 363 | 312 | 363 | 10 | 445 | 25 |
Od DN 200 także w klasie ciśnienia PN 16 z kołnierzami PN 16
